13818867255
三片式法兰球阀,是内螺纹球阀及对焊连接球阀分为整体式。三片式法兰球阀体铸造采用台湾引进的先进工艺,结构合理、造型美观。 三片式法兰球阀座采用弹性密封结构,密封可靠,启闭轻松。 阀杆采用有倒密封的下装式结构,阀腔异常升压时,阀杆不会被冲出。接形式另有对焊(BW)承插焊(SW),并均可带国际标准ISO支架平台和锁定装置。 三片式球阀设置90°开关定位机构,根据需要加锁以防止误操作,驱动方式:手动、电动、气动。

三片式法兰球阀,是内螺纹球阀及对焊连接球阀分为整体式。三片式法兰球阀体铸造采用台湾引进的先进工艺,结构合理、造型美观。 三片式法兰球阀座采用弹性密封结构,密封可靠,启闭轻松。 阀杆采用有倒密封的下装式结构,阀腔异常升压时,阀杆不会被冲出。接形式另有对焊(BW)承插焊(SW),并均可带国际标准ISO支架平台和锁定装置。 三片式球阀设置90°开关定位机构,根据需要加锁以防止误操作,驱动方式:手动、电动、气动。
公称压力:1.6-6.4MPa
适用温度范围:-20~232℃~350℃
适用介质:水、油、气及某些腐蚀性液体(W, O, G)
三片式法兰球阀适用于PN1.0~4.0MPa,工作温度-29~180℃(密封圈为增强聚四氟乙烯)或-29~300℃(密封圈为对位聚苯)的各种管路上,用于截断或接通管路中的介质。 选用不同的材质,可分别适用于水、蒸汽、油品、硝酸、醋酸等多种介质。
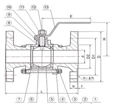
| 序号NO | 零件名称Part name | 材质material | |
|---|---|---|---|
| 不锈钢Stainless stee | 碳钢Carbon steel | ||
| 1 | 螺栓Bolt | 不锈钢SS304 | 碳钢Carbon steel |
| 2 | 弹簧垫圈Washer | 不锈钢SS304 | 不锈钢SS304 |
| 3 | 螺母Nut | 不锈钢SS304 | 碳钢Carbon steel |
| 4 | 阀盖Cap | 不锈钢CF8/CF8M | 碳钢WCB |
| 5 | 阀体Body | 不锈钢CF8/CF8M | 碳钢WCB |
| 6 | 球体Ball | 不锈钢CF8 | 不锈钢CF8 |
| 7 | 密封圈Joint ring | 聚四氟乙稀PTFE | 聚四氟乙稀PTFE |
| 8 | 阀杆Stem | 不锈钢SS316 | 不锈钢SS304 |
| 9 | 填料Stem packing | 聚四氟乙稀PTFE | 聚四氟乙稀PTFE |
| 10 | 压紧螺母Gland nut | 不锈钢SS304 | 不锈钢SS304 |
| 11 | 弹簧垫圈Washer | 不锈钢SS304 | 不锈钢SS304 |
| 12 | 螺母Nut | 不锈钢SS304 | 不锈钢SS304 |
| 13 | 手柄Handle | 不锈钢SS304 | 不锈钢SS304 |
| SIZE | 1/2″ | 3/4″ | 1″ | 1 1/4″ | 1 1/2″ | 2″ | 2 1/2″ | 3″ | 4″ |
|---|---|---|---|---|---|---|---|---|---|
| d | 15 | 20 | 25 | 32 | 38 | 50 | 65 | 76 | 100 |
| L | 130 | 150 | 160 | 180 | 200 | 230 | 290 | 310 | 350 |
| D | 95 | 105 | 115 | 135 | 145 | 160 | 180 | 195 | 230 |
| D1 | 65 | 75 | 85 | 100 | 110 | 125 | 145 | 160 | 190 |
| D2 | 45 | 55 | 65 | 78 | 85 | 100 | 120 | 135 | 160 |
| b | 14 | 16 | 16 | 18 | 18 | 20 | 22 | 24 | 24 |
| f | 2 | 2 | 2 | 3 | 3 | 3 | 3 | 3 | 3 |
| H | 75 | 95 | 90 | 110 | 130 | 140 | 140 | 180 | 250 |
| W | 130 | 140 | 140 | 170 | 200 | 220 | 220 | 350 | 550 |
| n-do | 4-14 | 4-14 | 4-14 | 4-18 | 4-18 | 8-18 | 8-18 | 8-18 | 8-22 |
版权所有 © 纽浪(上海)阀门科技有限公司 备案号:沪ICP备14038546号-2 图文来源网络 如有侵权请联系删除
技术支持: 纽浪(上海)阀门